日本大片又大又好看的ppt模板完美搭_新视觉yy6080高清电视剧在线_成全在线观看免费高清电视剧_成全在线观看免费完整

美標安全閥系列

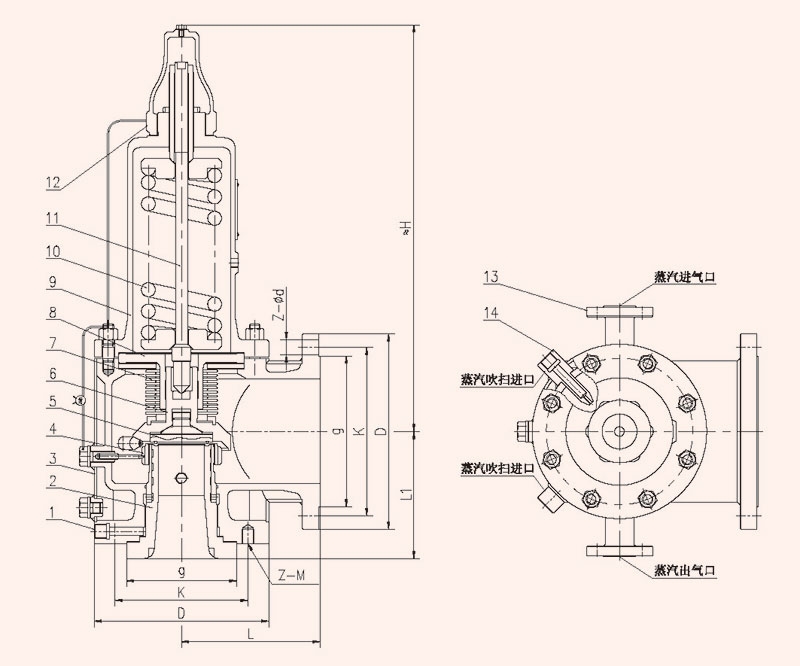
STNJ系列保溫夾套安全閥

?
本站全力支持關于《中華人民共和國廣告法》實施的“極限化違禁詞”相關規定,且已竭力規避使用“違禁詞”。故即日起凡本網站任意頁面含有極限化“違禁詞”介紹的文字或圖片,一律非本網站主觀意愿并即刻失效,不可用于客戶任何行為的參考依據。所有訪客訪問本站,均表示認同此條約!感謝配合!